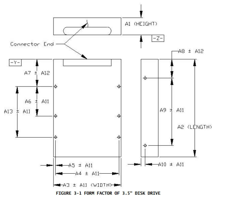
3.5寸硬盘的尺寸数据
图

尺寸数据 (Dimensions)
| 尺寸编号 (Dimension) | 毫米 (Millimeters) | 限制 (Limit) | 英寸 (Inches) | 限制 (Limit) |
|---|---|---|---|---|
| A 1 | 17.80 | 最大 (Max) | 0.700 | 最大 (Max) |
| A 1 | 26.10 | 最大 (Max) | 1.028 | 最大 (Max) |
| A 1 | 42.00 | 最大 (Max) | 1.654 | 最大 (Max) |
| A 2 | 147.00 | 最大 (Max) | 5.787 | 最大 (Max) |
| A 3 | 101.60 | 4.000 | ||
| A 4 | 95.25 | 3.750 | ||
| A 5 | 3.18 | 0.125 | ||
| A 6 | 44.45 | 1.750 | ||
| A 7 | 41.28 | 1.625 | ||
| A 8 | 28.50 | 1.122 | ||
| A 9 | 101.60 | 4.000 | ||
| A10 | 6.35 | 0.250 | ||
| A11 | 0.25 | 0.010 | ||
| A12 | 0.50 | 0.020 | ||
| A13 | 76.20 | 3.000 |
螺纹与紧固件 (Threads & Fastener)
| 项目 (Item) | 毫米 (Millimeters) | 限制 (Limit) | 英寸 (Inches) | 限制 (Limit) |
|---|---|---|---|---|
| 螺纹规格 (Size) | 6-32 UNC-2B | |||
| 紧固件旋入深度 (Fastener penetration) |
2.39 | 最小 (Min) | 0.094 | 最小 (Min) |
| 3.56 | 最大 (Max) | 0.140 | 最大 (Max) |